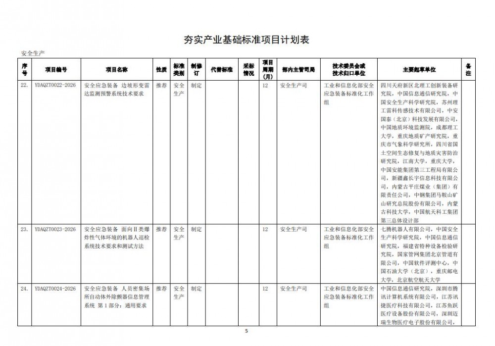
近日,工信部发布关于公开征求《纯电动商用车换电通用平台 第1部分:车辆》等37项行业标准、20项行业标准外文版、12项推荐性国家标准计划项目意见的公示。
该文件就新一批行业标准、国家标准计划项目公开征求意见。此次公示涉及《纯电动商用车换电通用平台 第1部分:车辆》等共69项标准项目,涵盖汽车、通信、道路车辆等多个技术领域。
本次公示的标准计划项目具体包括以下三类:
1. 37项行业标准计划项目,其中包括《纯电动商用车换电通用平台 第1部分:车辆》。
2. 20项行业标准外文版计划项目,其中包括《电信基础设施共建共享技术要求 第1部分:铁塔》。
3. 12项推荐性国家标准计划项目,其中包括《道路车辆 自动驾驶系统测试场景 场景分类》。
原文如下:
关于公开征求《纯电动商用车换电通用平台 第1部分:车辆》等37项行业标准、20项行业标准外文版、12项推荐性国家标准计划项目意见的公示
根据我部标准化工作的总体安排,现将申请立项的《纯电动商用车换电通用平台 第1部分:车辆》等37项行业标准、《电信基础设施共建共享技术要求 第1部分:铁塔》等20项行业标准外文版和《道路车辆 自动驾驶系统测试场景 场景分类》等12项推荐性国家标准计划项目予以公示(见附件1、2、3)。如对拟立项标准项目有不同意见,请在公示期间填写《标准立项反馈意见表》(见附件4)并反馈至我司,电子邮件发送至kjbz@miit.gov.cn(邮件主题注明:第一批标准立项公示反馈)。
示时间:2026年2月6日—2026年3月7日
联系电话:010-64102958、68205241
附件:1.《纯电动商用车换电通用平台 第1部分:车辆》等37项行业标准制修订计划(征求意见稿)
2.《电信基础设施共建共享技术要求 第1部分:铁塔》等20项行业标准外文版计划(征求意见稿)
3.《道路车辆 自动驾驶系统测试场景 场景分类》等12项推荐性国家标准制修订计划(征求意见稿)
4.标准立项反馈意见表
工业和信息化部科技司
2026年2月5日




















切换行业





正在加载...


